Die motorische Kraft der Orgonenergie: Der Orgonmotor von Wilhelm Reich
 
Autor: Bernhard Harrer
Keywords: Wilhelm Reich, Lebensenergie, Oranur-Experiment, Orgon, Orgonenergie, Orgonmotor, Geiger-Müller-Zähler, Lebensenergie, Vakuumröhren-Experimente, VACOR, Meßtechnik
Abstract: Mehrere Varianten von Wilhelm Reichs Orgonmotor wurden an hand aller hierzu erschienenen Texte und der originalen Versuchsaufbauten im Reich-Museum in Maine analysiert. Sie konnten 1993 von Harrer nachgebaut werden. Der Artikel erklärt ihre Funktionsprinzipien unter Verwendung eines elektrischen Schaltbildes und zeigt das entstehende Signal an einem Oszilloskopbild.
Copyright: Bernhard Harrer, 1996
Info Jockey's  
Comment:
Tatsächlich dreht sich der Orgonmotor, und die Variante mit Vakuumröhre leuchtet sogar eindrucksvoll, dennoch bezog Reich die hierfür nötige Energie aus der Steckdose, und nicht aus einer kosmischen Lebensenergie, wie er meinte. Dieser Text ist in abgewandelter Form erschienen in: Harrer, B; Rudolph, Chr.: Über Wilhelm Reichs Oranur-Experiment (I);  Zweitausendeins Frankfurt a.M. (1997), S.57-62 - Exkurs V. Dieser Text kommentiert insbesondere die Seiten 41 ff sowie 120-124 von: Reich, Wilhelm: Das ORANUR-Experiment, erster Bericht [IJBH]
09. Jun. 1998 
 
Reich stellt den Orgonmotor als ein Gerät vor, das Orgonenergie in Bewegungsenergie (»motorische Kraft« [Seiten 41 ff]) umwandelt: Das Leuchten einer Vakuumröhre wird in die Drehbewegung eines Zeigers umgesetzt. Reich hoffte, hiermit eine Art Perpetuum mobile gefunden zu haben.

Wilhelm Reichs Orgonmotor bestand im wesentlichen aus einem Geigerzählerapparat. Bei den ersten Versuchen war an dessen Eingang ein Geigerzählrohr angeschlossen, das Reich später durch eine spezielle Vakuumröhre ersetzte; zuletzt waren es ein Draht oder ein menschlicher Körper, die die Impulse lieferten, welche der Zählapparat verstärkte und anzeigte. Als Anzeigeinstrument verwendete Reich einen Impulszähler der Firma Cyclotron Specialities Co. Dieses Gerät zeigt Impulse dadurch an, daß ein Zeiger mit jedem Impuls ein Stück im Kreis weiterrückt. 100 Impulse entsprachen einer vollen Umdrehung. Zur Bewegung des Zeigers benötigt der Cyclotron-Zähler keine eigene Spannungsversorgung, sondern bezieht seine Energie aus den strom- und spannungsverstärkten Impulsen, die der Geigerzählerapparat liefert. Der Cyclotron-Zähler ist im Reich-Museum in Rangeley ausgestellt, ebenso der Versuchsaufbau zur Bestimmung von Orgonenergieimpulsen im Vakuum (siehe folgende Abbildung).
Reichs Versuchsaufbau zur Bestimmung von Orgonenergieimpulsen im Vakuum.  
Unten links sind zwei verschiedene Vakuumröhren zu sehen, in der Mitte der Autoscaler 4096, ein Geigerzählapparat, der die registrierten elektrischen Impulse verstärkte und an das rechts unten abgebildete Zeigerinstrument weitergab. Die elektrischen Impulse bewegen den Zeiger im Kreis. Auf dem Autoscaler steht ein weiterer Geigerzählerapparat. (Bildzitat aus: Harrer, Bernhard; Rudolph, Christian: Über Wilhelm Reichs Oranur Experiment. Erster Bericht. Ursprüngliche Abbildung aus: W Reich, The Orgon Energy Accumulator. It's Scientific and Medical Use, Rangeley 1951) 
Woher aber kamen die hohen Impulsraten? Geigerzählrohre erzeugen hohe künstliche Impulsraten, wenn sie mit Spannungen oberhalb des zulässigen Plateaubereiches betrieben werden (siehe: Lebensenergie und Radioaktivität im "ORANUR-Experiment"). Derselbe physikalische Effekt, nämlich Gasentladung bzw. Glimmlicht tritt auch in Reichs Vakuumröhren auf, wenn sie mit geeigneter Spannung versorgt werden (siehe: Lebensenergie und Vakuum
Über die VACOR-Versuche in Wilhelm Reichs ORANUR-Experiment). Die Impulsquelle bei Anschluß einer Drahtantenne oder direkter Berührung des Eingangs durch einen Menschen ist das elektromagnetische Streufeld (Elektrosmog) um den Transformator der Spannungsversorgung des Geigerzählers, welches von Antenne und Körper eingefangen und über den Eingangsfilter in den Zähler eingekoppelt wird (siehe: Lebensenergie, Orgonenergie und Elektrosmog). Um es ausdrücklich festzustellen: Der Zeiger drehte sich mit elektrischer Energie, Elektrosmog ist keine Lebensenergie, und Vakuumröhren leuchten blau, weil sie Energie verbrauchen und nicht erzeugen.
Den elektrischen Schaltkreis seines Versuchsaufbaus hätte Reich leicht durchschauen können: Er hätte nur sein Oszilloskop einsetzen müssen. So aber glaubte er, ein Perpetuum mobile gefunden zu haben, und hinterlegte seine Idee bei Patentanwälten.

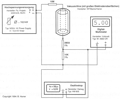
Im Sommer 1993 gelang es mir, den Orgonmotor mit Vakuumröhre nachzubauen. Den Schaltplan des Meßaufbaues zeigt die nachstehende Abbildung. Bei Anlegen einer geeigneten Hochspannung an die von dem Berliner Vakuumröhren-Entwickler Fredi Backs (dem ich bei dieser Gelegenheit für seine Freundschaft und Zusammenarbeit von Herzen danken möchte) angefertigte Vakuumröhre, konnte das charakteristische blaurote Leuchten von Gasentladungen in Luft bei geringem Druck beobachtet werden.

Die Untersuchung der Erscheinung mit dem Oszilloskop zeigte, daß es sich nicht um ein kontinuierliches Leuchten handelt, sondern um eine hochfrequente Folge von Einzelblitzen, die mit freiem Auge nicht unterscheidbar sind. Die Frequenz der Blitze ist abhängig von der anliegenden Spannung, dem vom Vorwiderstand begrenzten Stromfluß und den beteiligten Kapazitäten. In dem Versuchsaufbau geschieht folgendes: Die Spannungsversorgung erhöht die Spannung an der Röhre so lange, bis die für die Röhre charakteristische Zündspannung erreicht ist. Die Zündspannung ist vor allem abhängig von Druck und Art des Gases, von der Entfernung und der Gestalt der Elektroden und darüber hinaus von der vorhandenen Strahlung, den verwendeten Elektrodenmaterialien, ihrer Temperatur und einigen anderen physikalischen Größen. Der Zusammenhang wird im sogenannten Paschen-Gesetz beschrieben, welches besagt, daß die Zündspannung Uzünd aus dem Produkt von Innendruck p und Elektrodenabstand d berechnet werden kann: Uzünd = p×d.
Schaltplan zum experimentellen Nachvollzug von Reichs Orgonmotor.  
Der dargestellte Schaltplan zeigt den Nachbau von Wilhelm Reichs Orgonmotor durch Bernhard Harrer. Im Unterschied zu Reich wurden Vorwiderstände verwendet, um den Stromfluß zu begrenzen; und statt des Geigerzählerapparates, mit dem Reich die elektrischen Impulse darstellte, wird hier mit einem Oszilloskop gearbeitet.  
Die linear von Null bis 12,5 Kilovolt regelbare Hochspannungsquelle versorgt über drei in Serie geschaltete Vorwiderstände die Vakuumröhre mit Strom. Eine Vakuumröhre hat im ungezündeten Zustand (d.h. keine Gasentladung, also kein Leuchten) einen sehr hohen Innenwiderstand. Zusammen mit den Vorwiderständen wirkt sie als Spannungsteiler, also kann die an der Röhre anliegende Spannung über den Spannungsabfall an dem 10K Widerstand mittels Digitalmultimeter und Oszilloskop berechnet werden. Im Versuchsverlauf wird die Spannung langsam linear erhöht, bis die für die betreffende Vakuumröhre charakteristische  
Zündspannung erreicht ist. In diesem Moment wird das Gas schlagartig leitend (lonisation), das Gas leuchtet auf (Gasentladung, Glimmlicht), der hohe Innenwiderstand der Röhre bricht durch diesen »Kurzschluß« zusammen, wodurch ein hoher Stromfluß einsetzt. Der hohe Stromfluß ist durch die Vorwiderstände und die Leistung der Spannungsquelle begrenzt und hält so lange an, bis die Kondensatoren der Spannungsquelle entladen sind. An diesem Punkt bricht das Glimmlicht ab, die Röhre baut ihren ursprünglichen hohen Innenwiderstand erneut auf.  
(Schema: B. Harrer)
Der Vorgang des Zündens der Vakuumröhre ist das schlagartige Auftreten von Gasentladung (Aufblitzen des Glimmlichtes). Dabei wird das Gas, welches bis dahin einen hohen elektrischen Widerstand besaß, schlagartig leitend, wodurch die Spannung im Schaltkreis zusammenbricht. Ist die Spannung unter einen bestimmten, ebenfalls für jede einzelne Röhre charakteristischen Wert gefallen, so reicht sie nicht mehr aus, um die Gasentladung aufrechtzuerhalten; sie bricht ab (Uabbruch). Danach steigt die Spannung durch Nachlieferung aus der Hochspannungsquelle wieder an, bis die Zündspannung erneut erreicht ist. Wie sich das Signal, das dabei entsteht, am Oszilloskop darstellt, zeigt die folgende Abbildung.
Spannungsverlauf im Orgonmotor-Schaltkreis.   
Das Oszilloskop zeigt die typischen, im »Orgonmotor« entstehenden Sägezahnimpulse: Die Spannung steigt linear, bis die für jede Vakuumröhre charakteristische Zündspannung erreicht ist. In diesem Moment wird das Gas schlagartig leitend (lonisation), das Gas leuchtet auf (Gasentladung, Glimmlicht), der hohe Innenwiderstand der Röhre bricht durch diesen  
»Kurzschluß« zusammen, wodurch ein hoher Stromfluß einsetzt. Die Spannung im Schaltkreis fällt schlagartig ab und bleibt solange niedrig, bis die Kondensatoren der Spannungsquelle entladen sind. An diesem Punkt bricht das Glimmlicht ab, die Röhre haut ihren ursprünglichen hohen Innenwiderstand erneut auf Jetzt kann die Spannungsversorgung wieder nachladen, das heißt, die Spannung an die Röhre steigt wieder linear an, bis die Zündspannung erreicht wird und das Gas erneut zündet. 
Dieser Zyklus wiederholt sich mit einer Frequenz, die von der Leistung der Spannungsquelle und den Widerständen und Kapazitäten aller Bauteile des Schaltkreises abhängt. Solche Schaltkreise mit Vakuumröhren wurden zu Reichs Zeit zur Erzeugung sogenannter »Sägezahn«­Signale eingesetzt. Die Frequenz der Lichtblitze kann so schnell sein, daß sie mit freiem Auge als Dauerleuchten wahrgenommen wird bzw. einen Zeiger in rasche Drehung versetzt. (Foto: B. Harrer) 
 Dieser Versuchsaufbau Reichs entspricht dem klassischen Sägezahngenerator, wie er vor der Entwicklung der Halbleitertechnologie mittels Glimmröhre realisiert wurde. Die Aufladezeit bis zur Zündung der Röhre und damit die Wiederholfrequenz ist abhängig vor allem von der Zeit, welche die Spannungsquelle benötigt, um über den Vorwiderstand die Spannung von Uabbruch bis Uzünd zu erhöhen. Sie kann auch sehr eindrucksvoll durch Annäherung von leitenden Materialien, beispielsweise der Hand des Experimentators, an die Vakuumröhre verändert werden.

Wilhelm Reich schreibt über diese Experimente (Seite 116, Mitte in: Das ORANUR-Experiment, erster Bericht): »Einige von ihnen verlaufen allen anerkannten Regeln der elektromagnetischen Energie zuwider.«- Die Leistung von Impulsen ist das Produkt von Spannung und Strom über die Zeit. Um sie zu messen, hätte Reich nicht eine Glühbirne oder Zeigerinstrumente benützen dürfen (die zu reaktionsträge und deshalb völlig ungeeignet sind), sondern hätte seinen 1944 erworbenen Oszillographen an den Ausgang des Geiger-Müller-Zählers anschließen müssen. Dann hätte er die Ausgangsimpulse sehen und messen können. Auch bei diesem Versuchsaufbau stellt sich die Frage, weshalb sich Reich mit einer völlig unzureichenden Meßtechnik zufriedengibt. Daß es nur Unkenntnis der einfachsten »anerkannten Regeln« allein ist, möchte man fast nicht glauben. Vielleicht war eine Art Ahnung im Spiel, daß der Oszillograph eine Falsifikation seiner Erklärungen liefern würde.

Orgonenergie = Elektrosmog
Auf den Seiten Seiten 120-124 beschreibt Reich einen zweiten Typ des Orgonmotors, bei dem er an den Eingang des Geigerzählers nicht das vorgesehene Zählrohr anschließt, sondern einen einfachen Draht (Antenne). Entsprechend ist auch die Hochspannungsversorgung für das Zählrohr abgeschaltet. An den Ausgang des Zählerapparates schließt er ein Neonglimmlämpchen und einen Impulszähler mit einem Zeiger an, der sich im Kreis dreht (»Motor«). Der elektrische Schaltplan dieses Zählapparates ist in Abbildung 26 (Seite 120) dargestellt. An ihm ist abzulesen, daß am Eingang ein Hochpaßfilter eingefügt ist, der dem Zählapparat ermöglicht, die kurzen Zündimpulse eines Zählrohres von der Hochspannungsversorgung zu trennen. Wenn Reich an diesen Hochpaßeingang einen Draht anschließt und diesen Draht berührt, passiert folgendes: Der Netztransformator der Spannungsversorgung des Apparats hat ein elektromagnetisches Streufeld um sich (Elektrosmog), das von Antenne, Körper oder anderen leitenden Objekten aufgefangen wird. Das schwache Wechselsignal geht durch den Hochpaßfilter und wird von den Verstärkerröhren des Zählers verstärkt und in starke Impulse umgeformt, die am Ausgang durch Glimmlampe und Zeiger angezeigt werden. Wer das selbst ausprobieren möchte, nehme einen Draht in die Hand und stecke ihn in den Eingang seiner Stereoanlage. Der dann zu hörende charakteristische Brummton mit 50 Hz (der sogenannte »Netzbrumm«) entspricht genau dem, was Reich als Antwort auf die 11. Frage von Seite 119 erhält. Dieses »kräftige Geräusch« (Reich) macht weder Körperenergie hörbar oder meßbar, noch treibt hier Orgon einen Motor an. Daß Reich (Antwort zur 14. Frage, S. 121) »ungefähr 3000 cpm« registriert, ist also nicht verwunderlich:Wahrscheinlich waren es genauer 3600 cpm - was dem amerikanischen Stromnetz entsprechen würde, das mit 60 Hz Wechselspannung arbeitet. Auch die Antwort auf die 17. Frage macht deutlich: Was hier als Orgonenergie ausgegeben wird, ist Elektrosmog (siehe auch: Lebensenergie, Orgonenergie und Elektrosmog).

An dieser Stelle möchte ich mich für die vielen wertvollen Hinweise sehr herzlich bei Herrn Hartmut Heinze von der Berliner Firma Projektelektronik bedanken, deren Spezialgebiet die Entwicklung und Produktion von hochgenauen Meßgeräten ist. Herr Heinze hat mehrere Versuchsaufbauten der Berliner Arbeitsgruppe Orgon-Biophysik kritisch begleitet und die eingesetzte Hochspannungsquelle zur Verfügung gestellt.
 
Literatur:

 
zum Anfang
copyright: Harrer 1998 eMail: webmeister@datadiwan.de